Новые точки подключения и карты установок NEW
Карта установки автосигнализации на Toyota Probox 2022 с ключом

Toyota Probox 2022 с ключом. Устанавливаем автосигнализацию Pandora с автозапуском и бесключевым обходом штатного иммобилайзера.
Для Pandora используется алгоритм «Обход Toyota imo_imi v.3». Требуется клонирование.
Основные подключения выполняются на приборной панели, замке зажигания и в разъёме за бардачком.
Что Pandora видит и чем управляет по CAN на Toyota Probox 2022
Pandora по CAN видит:
- двери;
- багажник;
- зажигание;
- педаль тормоза;
- заведённый двигатель;
- парковку;
- уровень топлива;
- пробег.
По CAN возможна блокировка двигателя.
Pandora по CAN управляет:
- центральным замком;
- аварийкой.
Slave по аналогу не делался. На автомобиле устанавливалась Pandora DX40RS, где нет возможности использовать метку.
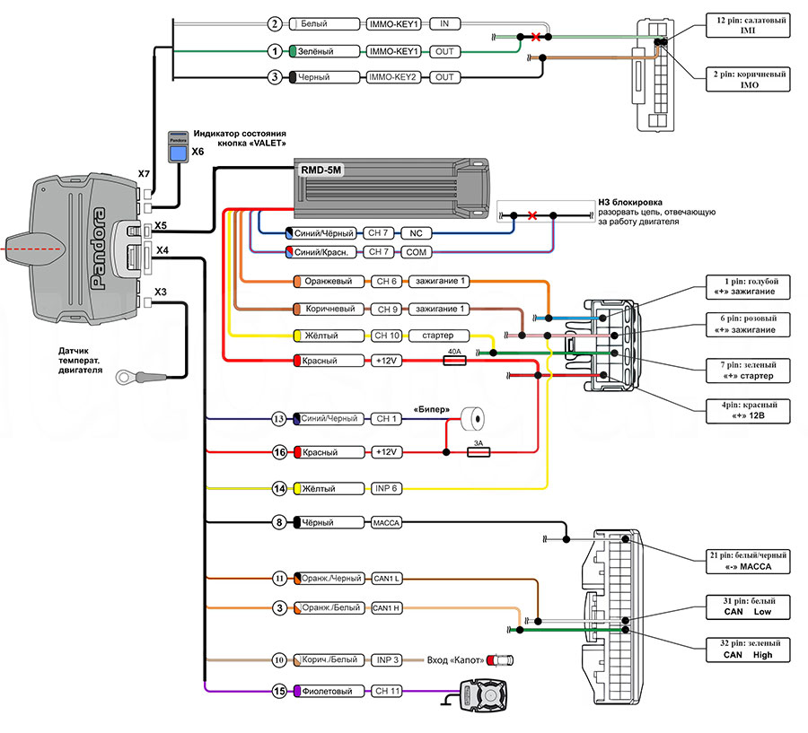
Подключение CAN и массы на приборной панели
На разъёме приборной панели подключаются масса и CAN:
- масса – чёрный/белый;
- CAN-H – зелёный;
- CAN-L – белый.

Разъём приборной панели Toyota Probox 2022: масса, CAN-H и CAN-L
Подключение автозапуска на замке зажигания
Силовые цепи автозапуска подключаются на разъёме замка зажигания:
- +12В – красный;
- зажигание 1 – голубой и розовый;
- стартер – зелёный.

Разъём замка зажигания Toyota Probox 2022: +12В, зажигания 1 и стартер
Подключение imo/imi для обхода иммобилайзера
Для бесключевого обхода штатного иммобилайзера Pandora подключаем цепи imo/imi в разъёме за бардачком:
- imo – коричневый;
- imi – салатовый.

Разъём за бардачком: imo и imi для обхода иммобилайзера Pandora
Выключение внешнего освещения после автозапуска
Для выключения внешнего освещения после автозапуска нужно подать отрицательный импульс на концевик двери водителя.
После такого подключения с сигнализации по CAN перестаёт отпираться центральный замок при снятии с охраны.
Чтобы не тянуть лишние провода и не делать дополнительные соединения, можно обойти этот момент настройками таймерного канала, учитывая, что импульс на концевик двери водителя для выключения света подаётся сразу после окончания аз-дз (задержка 0 секунд):
- после окончания автозапуска выполнить отпирание ЦЗ;
- сделать паузу 2 секунды;
- снова запереть ЦЗ.
После такой последовательности центральный замок снова реагирует при снятии с охраны.
Схема подключения Pandora на Toyota Probox 2022
На схеме показано подключение сигнализации Pandora к цепям автомобиля.

Схема подключения автосигнализации Pandora к цепям Toyota Probox 2022
Итоговая установка получается компактной: CAN и масса на приборной панели, силовые цепи на замке зажигания, imo/imi за бардачком. Управление ЦЗ и аварийкой работает по CAN, но нюанс с внешним освещением и отпиранием после автозапуска нужно учитывать при настройке.
Другие карты установок и точки подключения сигнализаций на этот же автомобиль
Самое комментируемое HIT
- Установка автосигнализации на Лада Гранта - Точки подключения, расположение и цвета проводов +126
- Установка автосигнализации на VW Polo - Точки подключения, расположение и цвета проводов +94
- Установка автосигнализации на Hyundai Solaris - Точки подключения, расположение и цвета проводов +78
- Установка автосигнализации на KIA Rio - Точки подключения, расположение и цвета проводов +76
- Установка автосигнализации на Renault Duster - Точки подключения, расположение и цвета проводов +68
Читайте также
Популярное TOP
- Установка автосигнализации на Лада Приора - Точки подключения, расположение и цвета проводов
- Установка автосигнализации на Лада Гранта - Точки подключения, расположение и цвета проводов
- Установка автосигнализации на KIA Rio - Точки подключения, расположение и цвета проводов
- Установка автосигнализации на Ford Focus - Точки подключения, расположение и цвета проводов
- Обход штатного иммобилайзера – Модули обхода иммобилайзеров
Последние комментарии
Спасибо, как-то я проскочил этот вход в настройках, отключил контроль и по кану теперь все ок.
Автор: ТаличЗдравствуйте. Вы же, наверное, уже делаете с обходом по LIN? Если да, то надо в настройках...
Автор: Админ ДмитрийДоброго дня. Супруге на рейз ставлю VX-4G v.3. Не видит по кану багажник, для неё он постоянно...
Автор: ТаличМожно поподробнее как реализовать по схеме перекидки. По каким схемам реализовать. Делаю свою...
Автор: Serg89Контроль заведенного двигателя где брали?
Автор: Булат


При применении ругательных и оскорбительных выражений, а также при выражении неуважения к посетителям сайта, ваш IP блокируется, сообщение удаляется.
Давайте уважать друг друга!