Новые точки подключения и карты установок NEW
Карта монтажа автосигнализации StarLine Е90 на автомобиль Toyota Belta 2008г, правый руль
Автор Старик
Для доступа к проводке и внутренним полостям торпедо разбираем салон. Нам понадобятся пластиковая лопатка, отвертка крестовая, торцовый ключ 10.
Разбираем салон

Фото 1.1. Отщелкнув нижнюю накладку подторпедника, выкручиваем два самореза и сдергиваем подторпедник – клипсы по периметру.

Фото 1.2. Снимаем накладку правой стойки – клипсы. Аналогично снимаем накладку левой стойки.

Фото 1.3. Сдергиваем нижнюю часть обрамления климат-контроля, предварительно поддев его лопаткой. Два зацепа снизу и две клипсы сверху.

Фото 1.4. Снимаем правую (и аналогично левую) накладку-обрамление магнитолы и климат-контроля. Клипсы и зацепы.

Фото 1.5. После этого можно вытащить обрамление доски приборов. Клипсы и зацепы по периметру.

Фото 1.6. Выкрутив два самореза, можно вытащить приборную доску.

Фото 1.7. Для доступа к монтажному блоку вытаскиваем перчаточный ящик. Все, как обычно на TOYOTA, – освобождаем зацеп демпфера, выводим из зацепления верхние упоры и, опустив ящик вниз, снимаем его с нижних опор-осей поворота.

Фото 1.8. При необходимости вытаскиваем центральный блок с магнитолой и климат-контролем.
Фото снятия обшивок вокруг руля не делалось. Все как на большинстве автомобилей этой марки – два самореза под рулевым колесом, один снизу и зацепы половинок по периметру.
Приступаем к монтажу системы

Фото 2.1.
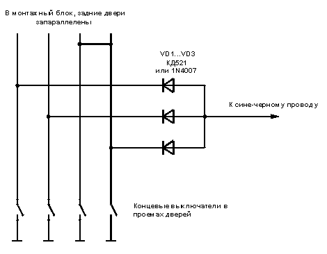
Общий вид на монтажный блок, в левом вертикальном разъеме с черной защелкой подключаем контроль дверей (по схеме 2.1) и багажника. Здесь же повороты и провод бензонасоса

Схема 2.1. Подключение к проводам контроля дверей.

Фото 2.2.
Вид на правую КИК-панель. В нижнем разъеме провода управления ЦЗ минусом. Коричневый – запирание, зеленый – отпирание.
Здесь же можно подключить МАССУ.

Фото 2.3.
Эти же провода управления ЦЗ в белом вертикальном разъеме в центре монтажного блока.

Фото 2.4.
В разъеме диагностики подключаемся к проводу тахометра, салатный.

Фото 2.5.
В разъеме включателя СТОП зеленый провод – выход на лампы СТОП.

Фото 2.6. Разъем замка зажигания

Фото 2.7. Под капотом устанавливаем сирену и датчик температуры.
Верхний ряд слева направо:
Серый - +12в, Розовый – IGN1, Черный двойной – START, ПУСТО.
Нижний ряд толстые слева направо:
Зеленый – IGN2 (НЕ отключаемое при старте), Белый - АСС, ПУСТО, Желтый - +12в

Фото 2.8. Кнопка-концевик контроля капота.

Фото 2.9. Модуль связи со встроенным комбинированным датчиком удара/наклона крепим вертикально вдоль левой стойки лобового стекла. Кончик антенны приклеиваем к стеклу.
В настройках программируем прокрутку 3,6 сек, контроль «тахометр».
Заблокировать можно в салоне - бензонасос, зажигание; под капотом – форсунки или датчики.
Проводку под капот выводим через штатное уплотнение жгута проводов в подкапотное пространство через щит моторного отсека.
Основной блок располагаем внутри панели. Сервисную кнопку VALET – в скрытом от глаз месте.
Светодиод крепим в правой накладке стойки.
Включаем питание, проверяем работоспособность: контроль дверей, капота, багажника, индикацию температуры салона и двигателя (при закрытом капоте).
Проверяем запуск двигателя с пульта и контроль работы двигателя.
Регулируем чувствительность датчика удара. Собираем демонтированные элементы обшивок и панелей салона в обратном порядке. Заполняем документы.
Установка электрозамка в багажник не делалась, но техническая возможность имеется.
Старик
Другие карты установок и точки подключения сигнализаций на этот же автомобиль
Самое комментируемое HIT
- Установка автосигнализации на Лада Гранта - Точки подключения, расположение и цвета проводов +123
- Установка автосигнализации на VW Polo - Точки подключения, расположение и цвета проводов +94
- Установка автосигнализации на Hyundai Solaris - Точки подключения, расположение и цвета проводов +78
- Установка автосигнализации на KIA Rio - Точки подключения, расположение и цвета проводов +75
- Установка автосигнализации на Renault Duster - Точки подключения, расположение и цвета проводов +68
Читайте также
Популярное TOP
- Установка автосигнализации на Лада Приора - Точки подключения, расположение и цвета проводов
- Установка автосигнализации на Лада Гранта - Точки подключения, расположение и цвета проводов
- Установка автосигнализации на KIA Rio - Точки подключения, расположение и цвета проводов
- Установка автосигнализации на Ford Focus - Точки подключения, расположение и цвета проводов
- Обход штатного иммобилайзера – Модули обхода иммобилайзеров
Последние комментарии
У всех сиг. три попытки запука, с ключём в замке заводится?! Если да то пробуй переубучить обход...
Автор: СанекЗдравствуйте, помогите, help. Поло седан, 2020 г 1.6 акпп. Установлена starline A 93 can. С...
Автор: ДенисЗачем дополнительно реле на стартер понятно. Не понятно как сделали управление аксессуаром и...
Автор: MaximУ Вас уже приезжала гранта с ключом с кнопками? А так 25 год всё тоже самое пока, 5 и 11 пин на...
Автор: Владимир StЗдравствуйте. Подскажите пожалуйста, во время работы двигателя включаю режим поддержки зажигания,...
Автор: Evgen2389


Ремень вытащи
спасибо огромное выручили
Вытащите ремни безопасности из своих гнёзд.
только место тахометра кинул на провод генератора ) так как не нашел диагностический разъем
Но при запуске машины с автозапуска у меня не хотят открываться звери и закрываться (((
вообще при заведенном двигателе с брелка не открыть и не закрыть ((( может подскажете в чем моя ошибка?