Новые точки подключения и карты установок NEW
Карта монтажа автосигнализации Pandect X-2050 на автомобиль Honda Insight 2010 года выпуска с правым рулём
RA9UBD
Теперь несколько добавлений от себя сделаю.
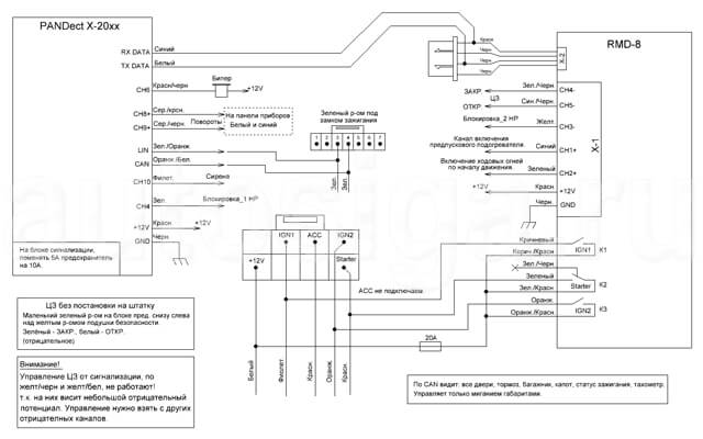
Общая схема подключения PanDECT X-2010/2050
Устанавливаемая охранная система может запустить двигатель Insight без ключа. То есть не надо использовать для обхода штатного иммобилайзера никаких дополнительных средств.
Всё организовано в блоке самой сигнализации посредством интегрированного интерфейса LIN. Подключаем на замке зажигания силовые провода, LIN шину и обучаем автосигнализацию обходу штатному иммо, согласно инструкции с сайта alarmtrade.
Все статусы автомобиля, нужные для охраны, Pandect X-2050 считывает с CAN шины авто с помощью встроенного CAN модуля. Это двери (по отдельности каждая), багажник, тахометр, тормоз, капот, зажигание.
По аналогу управляем поворотами (можно оставить по can управление габаритами) и центральным замком (при управлении по can при запирании цз штатная система охраны встаёт в охрану).
Другие карты установок и точки подключения сигнализаций на этот же автомобиль
Самое комментируемое HIT
- Установка автосигнализации на Лада Гранта - Точки подключения, расположение и цвета проводов +120
- Установка автосигнализации на VW Polo - Точки подключения, расположение и цвета проводов +92
- Установка автосигнализации на Hyundai Solaris - Точки подключения, расположение и цвета проводов +78
- Установка автосигнализации на KIA Rio - Точки подключения, расположение и цвета проводов +75
- Установка автосигнализации на Renault Duster - Точки подключения, расположение и цвета проводов +68
Читайте также
Популярное TOP
- Установка автосигнализации на Лада Приора - Точки подключения, расположение и цвета проводов
- Установка автосигнализации на Лада Гранта - Точки подключения, расположение и цвета проводов
- Установка автосигнализации на KIA Rio - Точки подключения, расположение и цвета проводов
- Установка автосигнализации на Ford Focus - Точки подключения, расположение и цвета проводов
- Обход штатного иммобилайзера – Модули обхода иммобилайзеров
Последние комментарии
День добрый...нет, без ключевой...все подключают к блоку предохранителей, но на руми 22г блок уже...
Автор: Вениамин МИнтересно, спустя 3 года что-то поменялось? Исчез этот косяк у Старлайн?
Автор: КрисЗдравствуйте. Если обход с помощью ключа, то кнопка (-) - два провода и педаль тормоза (+).
Автор: Админ ДмитрийМалость перекручивает, не критично. Стартер, синий "-" на штатное реле стартера, провод в эбуд,...
Автор: Kirill777День добрый...цепи запуска, как именно провода? Руми 2022 года.
Автор: Вениамин М




При применении ругательных и оскорбительных выражений, а также при выражении неуважения к посетителям сайта, ваш IP блокируется, сообщение удаляется.
Давайте уважать друг друга!